前置放大器 元器件百科 前置放大器概述前置放大器在放大有用信号的同时也将噪声放大,低噪声前置放大器就是使电路的噪声系数达到最小值的前置放大器。对于微弱信号检测仪器或设备,前置放大器是引入噪声的主要部件之一。整个检测系统的噪声系数主要取决于前置放大器的噪声系数。仪器可检测的最小信号也主要取决于前置放大器的噪声。前置放大器一般都是直接与检测信号的传感器相连接,只有在放大器的最佳源电阻等于信号源输出电阻的情况下,才能使电路的噪 芯城品牌采购网 2025-10-31 23964 放大器
单模光缆 元器件百科 单模光缆简介主要是由纤芯、包层和涂敷层构成;纤芯是由高度透明的材料制成的;包层的折射率略小于纤芯,从而造成一种光波导效应,使大部分的电磁场被束缚在纤芯中传输;涂敷层的作用是保护光纤不受水汽的侵蚀和机械的擦伤,同时又增加光纤的柔韧性。在涂敷层外,往往加有塑料外套。按光纤的原材料的下同,光纤可分为以下几种类型:(1)石英系光纤(2)多组份玻璃纤维(3)塑料包层光纤(4)全塑光纤根据光纤横截面上折射率分 芯城品牌采购网 2025-10-31 31116 光缆
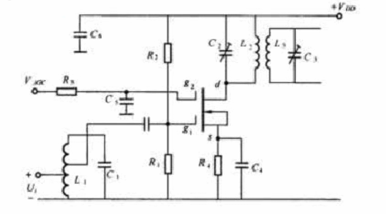
双栅场效应管 元器件百科 双栅场效应管原理双栅场效应管也称为双栅MOS管。它是一个管子中有两个控制极。从结构上来看可以认为是两个单栅场效应管的串联,增加了第二栅极g2,它具有一定的屏蔽作用,使得漏极与第一栅极之间的反馈电容变得很小,如图所示是彩色电视机高频调作用的双栅场效应管高频放大器。双栅场效应管高频放大器从结构上来说可以认为是共源-共栅放大器的形式。值得注意的是栅g2的电压时可以改变场效应管正向传输特性曲线的斜率,从而 芯城品牌采购网 2025-10-31 30551 双栅场效应管
先导式电磁阀 元器件百科 先导式电磁阀简介先导式电磁阀,通电时,依靠电磁力提起阀杆,导阀口打开,此时电磁阀上腔通过先导孔卸压,在主阀芯周围形成上低下高的压差,在压力差的作用下,流体压力推动主阀芯向上移动将主阀口打开;断电时,在弹簧力和主阀芯重力的作用下,阀杆复位,先导孔关闭,主阀芯向下移动,主阀口关闭;电磁阀上腔压力升高,流体压力向主阀芯加压,密封更好。先导式电磁阀参数先导式电磁阀尺寸先导式电磁阀特性先导膜片式结构,低功能 芯城品牌采购网 2025-10-31 21180 电磁阀
双包层光纤激光器 元器件百科 双包层光纤激光器构成双包层光纤激光器是由同心的纤芯,内包层,外包层以及保护层组成,内包层和外包层有同心的圆截面结构,双包层的直径远人于纤芯的r结构如图3所示.纤芯中掺人稀土兀素饵I铆等与单模光纤纤芯一样,具有很大的折射率,其用来传输单模信号光内包层具有和普通光纤的纤芯相同的材料,它的折射率处于纤芯和外包层之问,它用来传输多模泵浦光.外包层的折射率最小.内包层和纤芯构成一个大的纤芯,用来传输泵浦光, 芯城品牌采购网 2025-10-31 27997 光纤激光器
参数交流稳压电源 元器件百科 参数交流稳压电源规格参数交流稳压电源应用广泛应用于各种高精尖电子设备作隔离、抗干扰与高精度稳压电源使用,也很适宜一般电子设备作为高品质稳压供电电源。参数交流稳压电源技术指标抗干扰能力输入迭加2KV/1ms尖峰脉冲时,输出小于30V过压保护输出无过压出现短路保护输出或负载短路时,输出电压自动降为零,故障排除后恢复正常工作。功率因素>0.95尖峰吸收输入叠加2KV/1ms脉冲,输出≤30V绝缘等 芯城品牌采购网 2025-10-31 29249 交流稳压电源
分量分配器 元器件百科 分量分配器特性・350M带宽,直流型放大驱动;・能完美地和国内外各种品牌的DVD及电视机搭配使用,保证能在多电视机同时播放高清晰三色差分量信号;・兼容DVD逐行扫描分量信号Y、Pb、Pr和隔行扫描分量信号Y、Cb、Cr;・采用精良的线路设计,及合理的信号分配,加上多级放大电路,使图像及色彩更清晰;・逐行扫描,支持480i,480p,720i,720p,1080i,1080p等高清格式及多种同步方式 芯城品牌采购网 2025-10-31 22555 分配器
双位置继电器 元器件百科 双位置继电器电磁式当合闸线圈通电时,衔铁克服弹片的反作用力而动作,此时信号牌为红色。当合闸线圈断电时,由于弹片作用,使衔铁仍处于合闸位置。只有跳闸线圈通电时,衔铁克服了弹片的反作用力而被吸向跳闸位置,此时信号牌为绿色。当跳闸线圈断电时,由于弹片的限制,衔铁仍然处于跳闸位置。因此实现了闭锁的目的。工作环境1.大气压力:80~110kPa;2.空气相对湿度不大于90%(25℃);3.周围介质温度:-2 芯城品牌采购网 2025-10-31 31560 继电器
分路器 元器件百科 分路器定义通用非对称数字用户线(UADSL)的工作原理是加大电话通道和上行数据频带之间的保护带,免去需要在用户端安装的分路器,所以又可以叫做无分路器ADSL。分路器是用来使电话通道与数据通道分离的装置,免去了分路器就可以使用户在装用ADSI时,不需要有专门技术人员来装设分路器,只需要购买一个“非剩称数字用户线调制解调器”(ADSLMODEM),即插即用,和普通用的电话拨号调制解调器一样的简单方便, 芯城品牌采购网 2025-10-31 25065 分路器
单向可控硅 元器件百科 单向可控硅原理可控硅导通条件:一是可控硅阳极与阴极间必须加正向电压,二是控制极也要加正向电压。以上两个条件必须同时具备,可控硅才会处于导通状态。另外,可控硅一旦导通后,即使降低控制极电压或去掉控制极电压,可控硅仍然导通。可控硅关断条件:降低或去掉加在可控硅阳极至阴极之间的正向电压,使阳极电流小于最小维持电流以下。单向可控硅区别双向可控硅具有两个方向轮流导通、关断的特性。双向可控硅实质上是两个反并联 芯城品牌采购网 2025-10-31 29519 硅
光连接器 元器件百科 光连接器性能光纤连接器的性能,首先是光学性能,此外还要考虑光纤连接器的互换性、重复性、抗拉强度、温度和插拔次数等。光学性能对于光纤连接器的光性能方面的要求,主要是插入损耗和回波损耗这两个最基本的参数。插入损耗(InsertionLoss)即连接损耗,是指因连接器的导入而引起的链路有效光功率的损耗。插入损耗越小越好,一般要求应不大于0.5dB。回波损耗(ReturnLoss,ReflectionLo 芯城品牌采购网 2025-10-31 28411 连接器
反射式光电开关 元器件百科 反射式光电开关描述反射式光电开关是包括一个红外发光二极管和硅光电晶体管,包裹并排在聚光光学轴在一个黑色的热塑性塑料外壳。光电晶体管不受辐射的红外发光二极管在正常情况下,当一个物体靠近时,辐射是由物体反射和光电接收更为接近的物体辐射。反射式光电开关特点反射式光电开关检测方法都反应比较快、高解析、精度度高、峰值波长λ=模式灵敏度高易散热、无铅,使用寿命比较长,符合RoHS标准,是新一代的绿色环保能源, 芯城品牌采购网 2025-10-31 26241 开关
光电式转速传感器 元器件百科 光电式转速传感器分类光电式转速传感器分为投射式和反射式两类:1.投射式光电转速传感器2.反射式光电转速传感器光电式转速传感器在工业上的应用分类:1.吸收式光电转速传感器2.遮光式光电转速传感器3.反射式光电转速传感器4.辐射式光电转速传感器光电式转速传感器优点1、抗干扰性好光电转速传感器多采用LED作为光线投射部件,极少会出现光线停顿的情况,也不会存在灯泡烧毁等故障危险。另外,光电转速传感器的光源 芯城品牌采购网 2025-10-31 31806 传感器
光晶体三极管 元器件百科 光晶体三极管简介光在这类器件的有源区内被吸收,产生光生载流子,通过内部电放大机构,产生光电流增益。光晶体三极管三端工作,故容易实现电控或电同步。光晶体三极管可分为两类:双极型光晶体管、光场效应光晶体管及其相关器件。光晶体三极管双极型光晶体管双极型光晶体管从结构上分为同质型和异质型两种。图为异质结光晶体管能带图。光在基区-收集区吸收,产生的空穴(多子)在基区积累,使发射结注入更多电子以保持电中性而产 芯城品牌采购网 2025-10-31 29434 晶体三极管
双极型功率晶体管 元器件百科 双极型功率晶体管简介通常简称功率晶体管。其中大容量型又称巨型晶体管,简称GTR。功率晶体管一般为功率集成器件,内含数十至数百个晶体管单元。功率晶体管的符号,其上e、b、c分别代表发射极、基极和集电极。按半导体的类型,器件被分成NPN型和PNP型两种,硅功率晶体管多为前者。双极型功率晶体管结构及工作原理双极型功率晶体管结构是普通NPN型器件局部结构的剖面。图中1为发射区,2为基区,3为集电区,4为发 芯城品牌采购网 2025-10-31 30705 晶体管
互阻放大器 元器件百科 互阻放大器结构在激光雷达、激光陀螺信号处理等应用中经常使用雪崩光电二极管等来探测光信号,从而提取出感兴趣的信息。将二极管产生的电流信号转换为电压信号需要采用图2所示的互阻放大器结构。图中运放的正向端直接接地,Dphoto是接收信号用的光电二极管,反馈电阻Rf决定增益的大小,Vbias是反向偏置电压,它能够提高光电管相应的线性度,减小结电容,增大电路带宽。为了研究互阻放大器的频率特性,有必要使用光电 芯城品牌采购网 2025-10-31 22596 放大器
压电晶体协振器 元器件百科 压电晶体协振器概述压电晶体协振器(以下简称晶体)是数字化设备中不可缺少的关键器件之一,其主要作用是产生稳定的基准时钟信号,协调整体电路的工作。广泛用于计算机、智能化仪器仪表、控制装置、家电等电器产品上。可以说随着数字化时代的到来,晶体的应用几乎无处不在。 芯城品牌采购网 2025-10-31 25163 晶体协振器
光纤拉曼放大器 元器件百科 光纤拉曼放大器原理光纤拉曼放大器的工作原理是基于光纤中的受激拉曼散射效应。当强激光输入到非线性介质中时,在一定条件下,拉曼散射有激光的性质,不论是斯托克斯光(Stokes)还是反斯托克斯光(anti―stokes)都是相干光。这样,当弱信号光与强泵浦光同时在光纤中传输,且信号光波长在泵浦光的拉曼增益谱内,光能量将会从泵浦光转移到信号光,从而实现光放大。光纤拉曼放大器分类依据泵浦方式的不同,拉曼光纤 芯城品牌采购网 2025-10-31 25525 光纤放大器
双联电位器 元器件百科 双联电位器含义电位器实际上就是可变电阻器,它在电路中的作用是获得与输入电压(外加电压)成一定关系得输出电压,因此称之为电位器。双联电位器其实就是两个相互独立的电位器的组合,在电路中可以调节两个不同的工作点电压或信号强度,例如:双声道音频放大电路中的音量调节电位器就是双联电位器,可以同时分别调节两个声道的音量。双联电位器接法双联电位器一般用于双声道音频电路中。2排6个(或8个)接头,其中两个接地(公 芯城品牌采购网 2025-10-31 31096 双联电位器
同轴音频接口 元器件百科 同轴音频接口说明同轴音频接口(Coaxial),标准为SPDIF(Sony/PhilipsDigitalInterFace),是由索尼公司与飞利浦公司联合制定的,在视听器材的背板上有Coaxial作标识,主要是提供数字音频信号的传输。它的接头分为RCA和BNC两种。数字同轴接口采用阻抗为75Ω的同轴电缆为传输媒介,其优点是阻抗恒定,传输频带较宽,优质的同轴电缆频宽可达几百兆赫。同轴数字传输线标准接 芯城品牌采购网 2025-10-31 28647 音频
功率方向继电器 元器件百科 功率方向继电器原理现在的电力系统网络一般都是双侧电源网络,分析双侧电源供电的情况下所出现的新矛盾,可以发现,误动作的保护都是在自己所保护的线路反方向发生的故障,由对侧电源供给的短路电流所引起的。对误动作的保护而言,实际短路功率的方向照例都是由线路流向母线。显然与其所应保护的线路故障时的短路功率方向相反。因此,为了消除这种无选择的动作,就需要在可能误动作的保护上增设一个功率方向闭锁元件,该元件只当短 芯城品牌采购网 2025-10-31 28625 继电器
光纤旋转连接器 元器件百科 光纤旋转连接器特点1、转数高2、传输速率快3、抗干扰4、可靠性强5、防护等级高6、寿命长光纤旋转连接器应用范围1、海底机器人和控制船之间的信号传输;2、雷达天线和车载信号处理系统之间的信号传输3、战车的旋转塔台和车内控制台之间的信号传输4、焊接机器人与控制太之间的信号传输5、远程机械的输入输出设备与控制台之间的信号传输6、火箭导弹7、车辆上的转动炮台8、光电经纬仪9、海底电缆10、雷达天线11、物 芯城品牌采购网 2025-10-31 30316 光纤连接器
光纤连接器 元器件百科 光纤连接器基本介绍用于光纤间可重复插拔的连接器件,也称光纤活动接头。主要性能参数(及典型值)有:插入损耗光纤连接器分类在实际应用过程中,我们一般按照光纤连接器结构的不同来加以区分。以下是一些目前比较常见的光纤连接器:FC型光纤连接器这种连接器最早是由日本NTT研制。FC是FerruleConnector的缩写,表明其外部加强方式是采用金属套,紧固方式为螺丝扣。最早,FC类型的连接器,采用的陶瓷插针 芯城品牌采购网 2025-10-31 24628 光纤连接器
双槽板对板连接器 元器件百科 双槽板对板连接器电气性能双槽板对板连接器行业趋势随着双槽板对板连接器市场竞争的愈发激烈,快速有效的掌握市场发展情况成为企业及决策者成功的关键。市场分析是一个科学系统的工作,直接影响着企业发展战略的规划、产品营销方案的设计、公司投资方针的制定以及未来发展方向的确定。市场分析并非单纯从某一个层面对市场进行评价,要得到有实际价值、具有指导意义的结论,就必须从专业的角度对市场进行全面细致的分析。如此,才能 芯城品牌采购网 2025-10-31 26706 连接器
三相数显电压表 元器件百科 三相数显电压表简介三相数显电压表是新一代可编程智能仪表,采用大规模集成电路和高亮度长寿命的LED显示器,应用数字采样技术,对三相电气线路中的相电压、线电压进行实时测量、显示和控制,并通过RS485接口或模拟量变送输出接口对被测量电压数据进行远传。三相数显电压表特点三屏五位LED数码显示。可直接采集三相交流电压具有模拟量输出、通讯输出和累积电能脉冲输出功能可选。具有上下限报警报警功能,带LED报警灯 芯城品牌采购网 2025-10-31 25771 三相数显电压表
冷却液温度传感器 元器件百科 冷却液温度传感器原理发动机冷却液温度传感器细长的头部与冷却液接触,它的内部装有负温度系数的热敏电阻。如下图1所示,当发动机冷却液温度逐渐升高时,热敏电阻的阻值将逐渐下降,相反则增大,结果发动机冷却液温度发生变化时传感器的输出电压也相应变化。ECU接收冷却液温度传感器传来的信号后,对发动机的喷油时间和点火时间进行修正。冷却液温度传感器电阻的检测冷却水温度传感器的电阻检测可分为就车检测法和单件检查法两 芯城品牌采购网 2025-10-31 28288 冷却液温度传感器
保险丝电阻器 元器件百科 保险丝电阻器作用保险丝电阻器在电路中起着保险丝和电阻的双重作用,主要应用在电源输出电路中。保险丝电阻器的阻值一般较小(几欧姆至几十欧姆),功率也较小(1/8---1W)。电路负载发生短路故障,出现过流时,保险丝电阻器的温度在很短的时间内就会升高到500℃---600℃,这时电阻层便受热剥落而熔断,起到保险丝的作用,达到提高整机安全性的目的。保险丝电阻器选用保险丝电阻器具有保护功能的电阻器。选用时应 芯城品牌采购网 2025-10-31 26736 保险丝电阻器
凸头传感器 元器件百科 凸头传感器技术参数技术指标红线:激励(+)黑线:激励(-);绿线:信号(+)白线:信号(-)注:以实物传感器接线定义为准 芯城品牌采购网 2025-10-31 25670 传感器
光学溶解氧传感器 元器件百科 光学溶解氧传感器工作方法ROX传感系统采用荧光寿命技术,这个方法可以提供最稳定、重复性最高、最敏感的溶解氧检测数据,可有效减少传感器的漂移、延长投放时间。ROX溶解氧膜不同于传统的电化学传感器膜,安装简单、免维护,使用寿命长达一年。另外,由于采用了经久耐用的材质,在野外使用中几乎不可能受损。ROX传感器没有流速依赖性,可应用于低流速或无流速的环境中。光学溶解氧传感器技术参数光学溶解氧(%空气饱和度 芯城品牌采购网 2025-10-31 29864 传感器
传感器网络 元器件百科 传感器网络名词解释所谓传感器网络是由大量部署在作用区域内的、具有无线通信与计算能力的微小传感器节点通过自组织方式构成的能根据环境自主完成指定任务的分布式智能化网络系统。传感网络的节点间距离很短,一般采用多跳(multi-hop)的无线通信方式进行通信。传感器网络可以在独立的环境下运行,也可以通过网关连接到Internet,使用户可以远程访问。传感器网络综合了传感器技术、嵌入式计算技术、现代网络及无 芯城品牌采购网 2025-10-31 32344 传感器网络
凸轴位置传感器 元器件百科 凸轴位置传感器光电式结构特点日产公司生产的光电式曲轴与凸轮轴位置传感器是由分电器改进而成的,主要由信号盘(即信号转子)、信号发生器、配电器、传感器壳体和线束插头等组成。信号盘是传感器的信号转子,压装在传感器轴上,如图2-22所示。在靠近信号盘的边缘位置制作有均匀间隔弧度的内、外两圈透光孔。其中,外圈制作有360个透光孔(缝隙),间隔弧度为1。(透光孔占0.5。,遮光孔占0.5。),用于产生曲轴转角 芯城品牌采购网 2025-10-31 25754 传感器
光纤生物传感器 元器件百科 光纤生物传感器原理及特点光纤生物传感器结构主要有光源、光纤、生物敏感元件及信号检测系统等,其中的生物敏感元件是传感器的关键部件,常用的生物敏感元件主要有抗原抗体、酶及核酸等。被测物与特定的生物敏感元件选择性相作用(即抗原抗体或受体配体特异性结合;核酸分子碱基互补配对;酶对底物作用专一性等),产生的生物化学信息调制光纤中传输光的物理特性如光强、光振幅、相位等。因此这种传感器有较强的选择性和很高的灵敏 芯城品牌采购网 2025-10-31 30032 光纤生物传感器
压电加速度传感器 元器件百科 压电加速度传感器特点低阻抗输出,抗干扰,噪声小性能价格比高,安装方便,尤其适于多点测量稳定可靠、抗潮湿、抗粉尘、抗有害气体压电加速度传感器参数压电加速度传感器指标线性:≤1%横向灵敏度:≤5%典型值:≤3%输出偏压:8-12VDC恒定电流:2-20mA, 典型值:4mA输出阻抗:<150Ω激励电压:18-30VDC典型值:24VDC温度范围:-40~+120℃放电时间常数:≥0.2秒壳绝缘电阻:> 芯城品牌采购网 2025-10-31 25869 压电加速度传感器
分布式传感器网络 元器件百科 分布式传感器网络概念分布式传感器网络是由大量的密集部署在监控区域的智能传感器节点构成的一种网络应用系统。由于传感器节点数量众多,部署时只能采用随机投放的方式,传感器节点的位置不能预先确定;在任意时刻,节点问通过无线信道连接,自组织网络拓扑结沟;传感器节点间具有很强的协同能力,通过局部的数据采集、预处理以及节点问的数据交互来完成全局任务。DSN是一种无中心节点的全分布系统。由于大量传感器节点是密集部 芯城品牌采购网 2025-10-31 27716 分布式传感器网络
半导体气体传感器 元器件百科 半导体气体传感器原理半导体气体传感器是利用气体在半导体表面的氧化还原反应导致敏感元件组织发生变化而制成的。当半导体器件被加热到稳定状态,在气体接触半导体表面而被吸附时,被吸附的分子首先在物体表面自由扩散,失去运动能量,一部分分子被蒸发掉,另一部分残留分子产生热分解吸附在物体表面。当半导体的功函数小于吸附分子的亲和力,则吸附分子将从器件夺走电子而变成负离子吸附,半导体表面呈现电荷层。例如氧气,等具有 芯城品牌采购网 2025-10-31 28680 半导体气体传感器
中频放大器 元器件百科 中频放大器定义中频放大器是―个专门放大中频一个频率信号的放大器。中频放大器不仅要放大信号,还要进行选频,即保证放大的是中频信号。在这一点上,与高频放大器是有所不同的,高频放大器要放大88―108M1z一个频段内的调频信号。中频放大器的输出信号要有足够的幅度,以便限幅和鉴频器能正常工作。所以,中频放大器的级数较多。中频放大器主要是将混频器输出的信号进行大幅度提升,以满足解调电路的需要。其主要质量指标 芯城品牌采购网 2025-10-31 26190 中频放大器
专用集成电路 元器件百科 专用集成电路简介专用集成电路(applicationspecificintegratedcircuit)是针对整机或系统的需要,专门为之设计制造的集成电路,简称ASIC。相对于通用集成电路而言,用户在某种程度上参与该产品的开发。专用集成电路可以把分别承担一些功能的数个、数十个、甚至上百个通用中、小规模集成电路的功能集成在一块芯片上,进而可将整个系统集成在一块芯片上实现系统的需要。它使整机电路优化, 芯城品牌采购网 2025-10-31 28518 集成电路
光纤信号放大器 元器件百科 光纤信号放大器参数●光纤接口SC●平均无故障工作时间(MTBF)>10万小时●双绞线接口RJ-45●工作温度0~70℃●最大传输距离光纤:120Km●传输速率光纤:100M/155M/622M/1000M●储存温度-10~85℃●工作湿度5~95%(无冷凝)●储存湿度0~95%(无冷凝)●安规FCCPart15ClassA●重量400g●缓存1MB●电源5V@1A●外形尺寸94(L)×70. 芯城品牌采购网 2025-10-31 26231 光纤信号放大器
功率放大器 元器件百科 功率放大器工作原理利用三极管的电流控制作用或场效应管的电压控制作用将电源的功率转换为按照输入信号变化的电流。因为声音是不同振幅和不同频率的波,即交流信号电流,三极管的集电极电流在放大区中恒为基极电流的β倍,β是三极管的电流放大系数,应用这一点,若将小信号注入基极,则集电极流过的电流会等于基极电流的β倍,然后将这个信号用隔直电容隔离出来,就得到了电流(或电压)是原先的β倍的大信号,这现象成为三极管的 芯城品牌采购网 2025-10-31 26464 放大器
信号隔离放大器 元器件百科 信号隔离放大器隔离方式简介隔离是指电气上的隔离,让信号通过其他渠道进行传输,避免电气上的直接相连。隔离放大的基本要求是保证信号不失真,并具有较高的隔离电压和一定的频率范围。常用的隔离方式有变压器耦合、光电耦合和电容耦合。变压器耦合众所周知,变压器可以通过磁的耦合将信号从初级传递到次级,起到电气隔离的作用。但是变压器只能变换交流信号,不能传递直流信号。如果被放大的是直流信号,将会被变压器阻断,因此隔 芯城品牌采购网 2025-10-31 33076 信号放大器
光放大器 元器件百科 光放大器简介光放大器就是放大光信号。在此之前,传送信号的放大都是要实现光电变换及电光变换,即O/E/O变换。有了光放大器后就可直接实现光信号放大。光放大器的开发成功及其产业化是光纤通信技术中的一个非常重要的成果,它大大地促进了光复用技术、光孤子通信以及全光网络的发展。光放大器原理掺铒光纤放大器(Erbium-dopedOpticalFiberAmplifier,EDFA)的组成基本上包括了掺铒光纤 芯城品牌采购网 2025-10-31 27089 放大器
DOBON导热硅胶片 元器件百科 DOBON导热硅胶片概述随着电子设备不断将更强大的功能集成到更小组件中,温度的升高会导致设备运行速度减慢、器件工作中途出故障、尺寸空间限制以及其它很多性能方面的问题。因此温度控制已经成为设计中至关重要的挑战之一,即在架构紧缩,操作空间越来越小的情况下,如何有效地带走更大单位功率所产生的更多热量。DOBONZ导热硅胶片是你最好的选择。DOBON导热硅胶片作用DOBON导热硅胶片具有一定的柔韧性、优良 芯城品牌采购网 2025-10-31 27439 硅胶片